静电抑制管
Electrostatic protector

PolyTrans S23T05C ESD Electrostatic Protector

Number of Views:78742021-06-30 10:17:17



Features:

1. 400 Watts peak pulse power (8/20μs)

2. Solid state silicon-avalanche technology

3. Bidirectional configurations

4. Low clamping voltage

5. Low leakage current

6. IEC61000-4-2 (ESD) ±30kV (Air), ±30kV (Contact)

7. IEC61000-4-4 (EFT) 40A (5/50ns)

8. IEC61000-4-5 (Lightning): 22A (8/20μs)

Application:

1. Data lines

2. Automatic Teller Machines

3. Net works

4. Power line

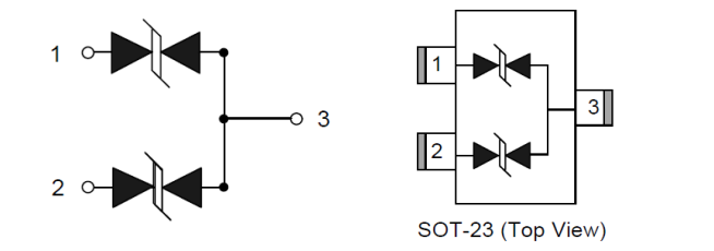
Schematic and PIN Configuration:

新奥2025年全年免费

Electrical Characteristics:

新奥2025年全年免费

Electrical Parameters:

新奥2025年全年免费

Packing:

新奥2025年全年免费

Contact us

Dongguan Jingpin Electronic Technology Co., Ltd

Tel:086-769-88761999

Fax:086-769-88770899

Email:[email protected]

Address: 8F, building F1, Tianan Digital City, No.1, Huangjin Road, Nancheng District, Dongguan City

Copyright 2020 Dongguan Jingpin Electronic Technology Co., Ltd copyright All Rights Reserved

Website filing:粤ICP备10083821号