静电抑制管
Electrostatic protector

PolyTrans PTUC0524PA ESD static suppression tube

Number of Views:85572021-07-01 17:34:35



Features:

1. 30 Watts peak pulse power (8/20μs)

2. Unidirectional Configuration

3. Solid state silicon-avalanche technology

4. Low clamping voltage

5. Low leakage current

6.Low capacitance (CJ = 0.2pF typ.    I/O to I/O)

7. IEC61000-4-2 (ESD) ±15kV (Air), ±12kV (Contact)

8. IEC61000-4-4 (EFT) 40A (5/50μs)

9. IEC61000-4-5 (Lightning): 3A (8/20μs)

Application:

1. USB3.0, USB2.0, Ethernet

2. HDMI 2.0, Displayport 1.3, eSATA

3. Unified Display Interface

4. Video Line Protection

5. Digital Video Interface

6. High Speed Serial Interface

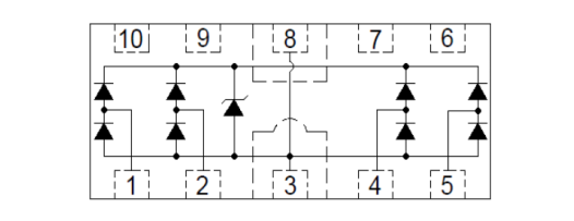
Schematic and PIN Configuration:

新奥2025年全年免费

Electrical Characteristics:

新奥2025年全年免费

Electrical Parameters:

新奥2025年全年免费

Packing:

新奥2025年全年免费

Contact us

Dongguan Jingpin Electronic Technology Co., Ltd

Tel:086-769-88761999

Fax:086-769-88770899

Email:[email protected]

Address: 8F, building F1, Tianan Digital City, No.1, Huangjin Road, Nancheng District, Dongguan City

Copyright 2020 Dongguan Jingpin Electronic Technology Co., Ltd copyright All Rights Reserved

Website filing:粤ICP备10083821号