气体放电管
Gas discharge tube

TKS GS2 series 150~600V

Number of Views:79122021-05-20 17:50:27



Features:

1. Meet RoHS and halogen-free requirements

2. Surface mount type

3. DC breakdown voltage: 150~600V

4. Low capacitance

5. Safety certification: UL / cUL

6. Operating temperature range: -40℃ ~ +85℃

Storage temperature range: -40℃ ~ +115℃

Application:

1. Cable Modem

2. xDSL

3. Set-top box

4. TV

5. Ethernet interface

6. Consumer Electronics

Encoding rules:

新奥2025年全年免费

Outline structure drawing:

新奥2025年全年免费

Electrical characteristics:

新奥2025年全年免费

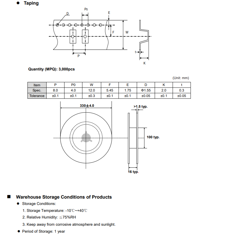
Packing:

新奥2025年全年免费

Contact us

Dongguan Jingpin Electronic Technology Co., Ltd

Tel:086-769-88761999

Fax:086-769-88770899

Email:[email protected]

Address: 8F, building F1, Tianan Digital City, No.1, Huangjin Road, Nancheng District, Dongguan City

Copyright 2020 Dongguan Jingpin Electronic Technology Co., Ltd copyright All Rights Reserved

Website filing:粤ICP备10083821号