HONGDA 52FG/52FGP glass tube fast breaks the fuse
Number of Views:66132023-11-09 17:48:48



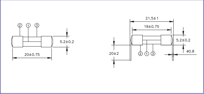
1. Glass tube
2. One-time overcurrent protection
3. Alloy type current fuse
4. Environmentally friendly products
1. Adapter
2. Control board
3. Telephone
Contact us
Dongguan Jingpin Electronic Technology Co., Ltd
Tel:086-769-88761999
Fax:086-769-88770899
Email:[email protected]
Address: 8F, building F1, Tianan Digital City, No.1, Huangjin Road, Nancheng District, Dongguan City
Copyright 2020 Dongguan Jingpin Electronic Technology Co., Ltd copyright All Rights Reserved
Website filing:粤ICP备10083821号