静电抑制管
Electrostatic protector

聚鼎S23T05C ESD静电抑制管

浏览次数:78732021-06-30 10:17:17



特点:

1. 400W峰值脉冲功率(8/20μs)

2. 固态硅雪崩技术

3. 双向配置

4. 低箝位电压

5.低漏电流

6. IEC61000-4-2 (ESD)±30kV(空气),±30kV(接触)

7. IEC61000-4-4 (EFT) 40A (5/50ns)

8. IEC61000-4-5 (Lightning): 22A(8/20μs)

应用:

1. 数据线

2. 自动柜员机

3. 工程网络

4. 输电线

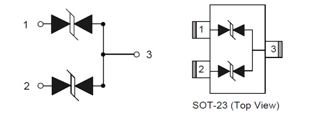
原理图和PIN配置:

新奥2025年全年免费

电特性:

新奥2025年全年免费

电气参数:

新奥2025年全年免费

包装方式:

新奥2025年全年免费

联系方式

新奥2025年全年免费

电话:086-769-88761999

传真:086-769-88770899

邮箱:[email protected]

地址:东莞市南城区黄金路1号天安数码城F1栋8F

Copyright 2020 新奥2025年全年免费 版权所有 All Rights Reserved

网站备案:粤ICP备10083821号