特点:
1. 符合RoHS
2. 可提供无卤要求的系列产品
3. 本体尺寸:Ф5mm ~ Ф20mm
4. 宽工作电压范围:11Vac ~ 1000Vac
5. 工作温度范围:-40°C ~ +105°C
储存温度范围:-40°C ~ +125°C
6. 安规认证:UL 1449 4th / cUL / TUV/ VDE/ CQC
应用:
1. 电源供应器
2. 家用电器
3. 工业设备
4. 通信设备
5.智能控制型电表
6. 电力线智能通讯设备
7. 照明
8. 光伏系统
压敏电阻编码规则
压敏电阻外型结构图:

压敏电阻电器特性:




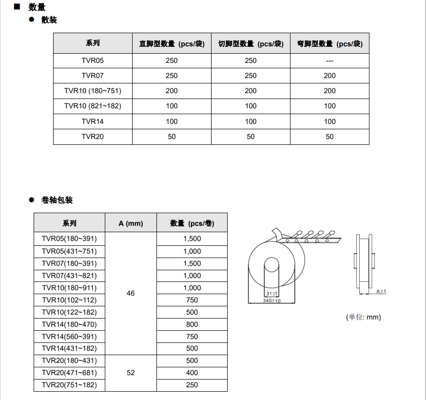
压敏电阻器包装方式:


