光耦
Optocoupler
当前位置:

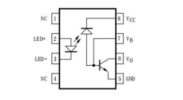
群芯微高速光耦QX6N135

浏览次数:85942023-11-22 13:53:00



群芯微高速光耦QX6N135


特点:

1. 集电极开路输出

2. TTL兼容

3. 高比特率:I Mbit/s

4. 高级CMR-10 kv/us

5. 保证中心温度:0-70℃

6. 符合ROHS

应用:

1. CMOS-LSTTL-TTL的输出接口

2. 电信设备

3. 电机驱动中的功率晶体管隔离

4. 低速光电晶体管光耦合器的更换

5. 家用电器

编码规则:

新奥2025年全年免费

产品示意图:

新奥2025年全年免费

封装尺寸:

新奥2025年全年免费

电光特性:

新奥2025年全年免费

绝对最大额定值

新奥2025年全年免费



联系方式

新奥2025年全年免费

电话:086-769-88761999

传真:086-769-88770899

邮箱:[email protected]

地址:东莞市南城区黄金路1号天安数码城F1栋8F

Copyright 2020 新奥2025年全年免费 版权所有 All Rights Reserved

网站备案:粤ICP备10083821号