光耦
Optocoupler
当前位置:

群芯微晶体管输出光耦QX817X

浏览次数:84092023-11-23 09:47:00



群芯微晶体管输出光耦QX817X
新奥2025年全年免费
新奥2025年全年免费
新奥2025年全年免费

特点:

1. 电流转换比(CTR)范围: 80%~600% ( IF=5mA, VCE=5V )

2. 输入-输出隔离电压 (Viso=5000 V rms )

3. 集电极-发射极击穿电压 BVCEO≥80V

应用:

1. 开关电源

2. 智能电表

3. 工业控制

4. 测量仪器

5. 办公设备,比如复印机

6. 家用电器,比如空调、风扇、热水器等

编码规则:

新奥2025年全年免费

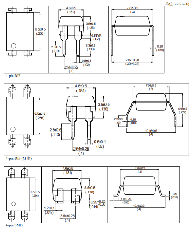
产品外形尺寸:

新奥2025年全年免费

封装尺寸:

新奥2025年全年免费

电光特性:

新奥2025年全年免费

极限参数

新奥2025年全年免费

CTR分档表

新奥2025年全年免费

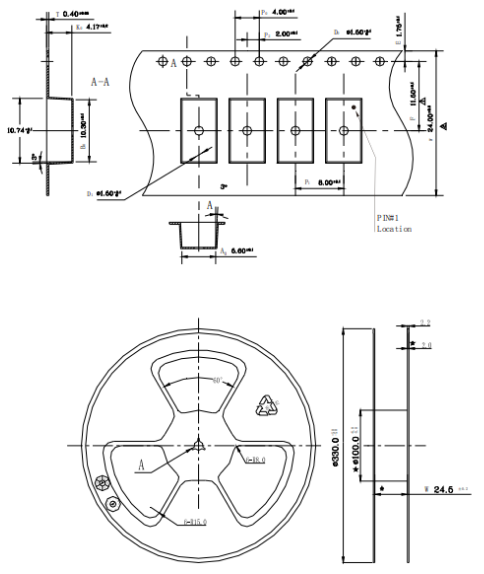
包装:

新奥2025年全年免费新奥2025年全年免费

联系方式

新奥2025年全年免费

电话:086-769-88761999

传真:086-769-88770899

邮箱:[email protected]

地址:东莞市南城区黄金路1号天安数码城F1栋8F

Copyright 2020 新奥2025年全年免费 版权所有 All Rights Reserved

网站备案:粤ICP备10083821号