电流保险丝
Current fuse

泓达 52TC/52TCP欧规陶瓷管慢断保险丝

浏览次数:63242023-11-09 18:26:26



泓达 52TC/52TCP欧规陶瓷管慢断保险丝

特点:

1. 陶瓷管

2. 一次性过流保护

3. 合金型电流保险丝

4. 环保型产品

应用:

1. 适配器

2. 控制板

3. 电话机

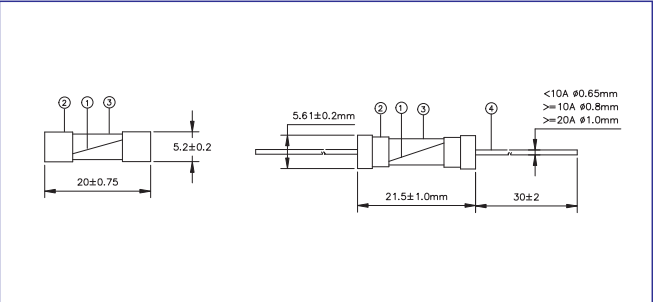
外形尺寸:

新奥2025年全年免费

电气特性:

新奥2025年全年免费

电气规格:

新奥2025年全年免费

联系方式

新奥2025年全年免费

电话:086-769-88761999

传真:086-769-88770899

邮箱:[email protected]

地址:东莞市南城区黄金路1号天安数码城F1栋8F

Copyright 2020 新奥2025年全年免费 版权所有 All Rights Reserved

网站备案:粤ICP备10083821号