行业动态
Industry news

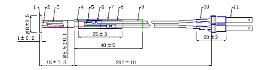
高温烤箱NTC温度传感器

浏览次数:31232021-07-23 15:05:04

      烤箱是比较常用的家用电器,在使用烤箱时需要注意烤箱内温度控制,温度控制对食物的美味有很大的联系。如温度过高,食物会烤糊,温度过低食物可能会不熟。因此,一般烤箱都会内置NTC温度传感器来监测温度。

      这是一款应用在烤箱NTC温度传感器,采用耐高温材质,金电极单端玻封热敏电阻,连接铁氟龙导线和套管,使产品达到耐温350℃以上。其特点是高精度,高灵敏,耐高温和高防水等,适用于各种高温产品。

新奥2025年全年免费

联系方式

新奥2025年全年免费

电话:086-769-88761999

传真:086-769-88770899

邮箱:[email protected]

地址:东莞市南城区黄金路1号天安数码城F1栋8F

Copyright 2020 新奥2025年全年免费 版权所有 All Rights Reserved

网站备案:粤ICP备10083821号