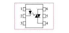
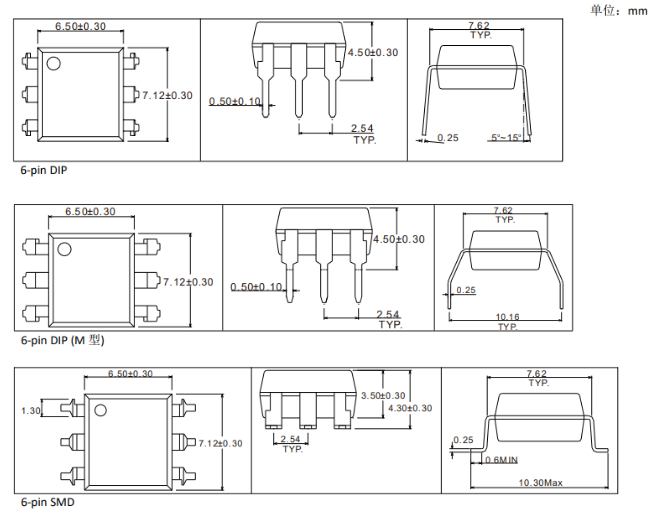
Qunxin Microelectronics Transistor output optocoupler QX301X
Number of Views:88092023-11-23 16:34:00






Contact us
Dongguan Jingpin Electronic Technology Co., Ltd
Tel:086-769-88761999
Fax:086-769-88770899
Email:[email protected]
Address: 8F, building F1, Tianan Digital City, No.1, Huangjin Road, Nancheng District, Dongguan City
Copyright 2020 Dongguan Jingpin Electronic Technology Co., Ltd copyright All Rights Reserved
Website filing:粤ICP备10083821号