光耦
Optocoupler
当前位置:

群芯微晶体管输出光耦QX301X

浏览次数:88072023-11-23 16:34:00



群芯微晶体管输出光耦QX301X
新奥2025年全年免费
新奥2025年全年免费
新奥2025年全年免费

特点:

1. 峰值击穿电压 250V: QX301X; 400V: QX302X; 600V: QX305X

2. 输入和输出之间高隔离电压(Viso=5000 Vrms)

3. 紧凑双列直插式封装

4. 无铅,符合 RoHS 标准

应用:

1. 电磁阀控制

2. 镇流器

3. 静态交流电源开关

4. 微处理器 115 到 240VAC 外设接口

5. 白炽灯调光器

6. 温度控制

7. 电机控制

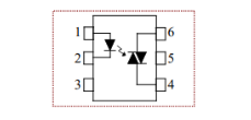
编码规则:

新奥2025年全年免费

产品外形尺寸:

新奥2025年全年免费

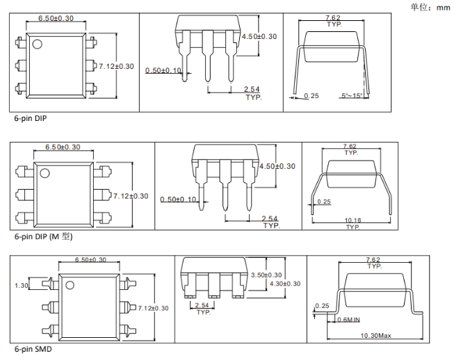
封装尺寸:

新奥2025年全年免费

电光特性:

新奥2025年全年免费

极限参数

新奥2025年全年免费

包装:

新奥2025年全年免费

联系方式

新奥2025年全年免费

电话:086-769-88761999

传真:086-769-88770899

邮箱:[email protected]

地址:东莞市南城区黄金路1号天安数码城F1栋8F

Copyright 2020 新奥2025年全年免费 版权所有 All Rights Reserved

网站备案:粤ICP备10083821号