光耦
Optocoupler
当前位置:

群芯微晶体管输出光耦QX303X

浏览次数:93792023-11-23 17:01:00



群芯微晶体管输出光耦QX303X
新奥2025年全年免费
新奥2025年全年免费
新奥2025年全年免费

特点:

1. 峰值击穿电压:250V:QX303X/400V:QX304X/600V:QX306X/800V:QX308X

2. 输入和输出之间的高隔离电压(Viso=5000V rms)

3. 零电压交叉

4. 紧凑的双列直插封装

5. 符合 RoHS 标准

应用:

1. 电磁阀/阀控制

2. 灯光控制

3. 静态电源开关

4. 交流电机驱动器

5. 电磁接触开关

6. 固态继电器

编码规则:

新奥2025年全年免费

产品外形尺寸:

新奥2025年全年免费

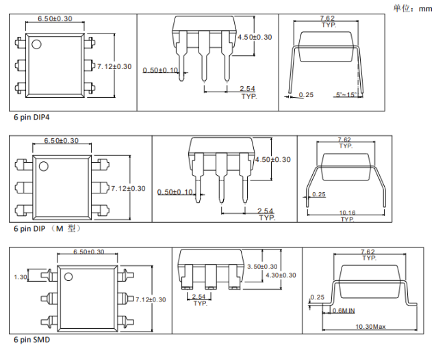
封装尺寸:

新奥2025年全年免费

电光特性:

新奥2025年全年免费

极限参数

新奥2025年全年免费

包装:

新奥2025年全年免费


联系方式

新奥2025年全年免费

电话:086-769-88761999

传真:086-769-88770899

邮箱:[email protected]

地址:东莞市南城区黄金路1号天安数码城F1栋8F

Copyright 2020 新奥2025年全年免费 版权所有 All Rights Reserved

网站备案:粤ICP备10083821号